网站导航

斯德博STOBER减速机

当前位置:首页 > 产品展示 > 斯德博STOBER减速机

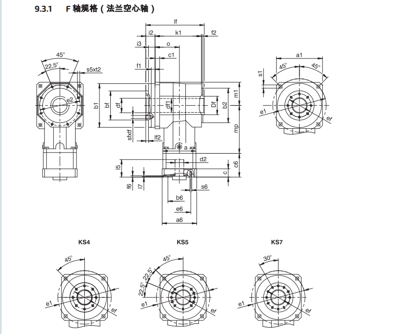
KS系列

产品时间:2023-11-29 09:47:06

简要描述:

KS Series Compact. No offset. Robust bearings. Flange hollow shaft, solid shaft or hollow shaft with shrink ring. Short motor adapter length. Easy and secure motor mounting. Can be attached to almost any make of servo motor.

推荐产品

如果您有任何问题,请跟我们联系!

联系我们

在线客服 联系方式 二维码

服务热线

021-5470-0616

扫一扫,关注我们