网站导航

艾尔发EREFAT减速机

当前位置:首页 > 产品展示 > 艾尔发EREFAT减速机

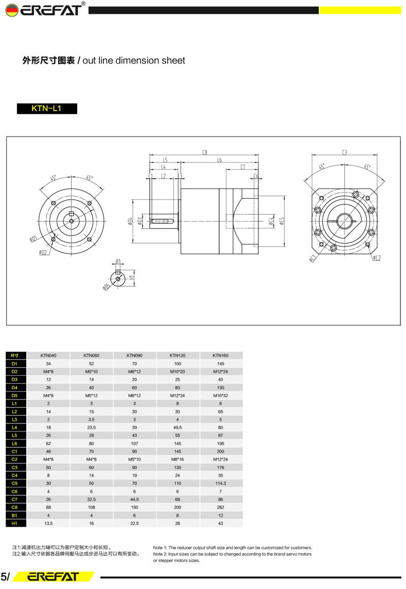
KTN系列

产品时间:2023-11-28 09:50:48

简要描述:

推荐产品

如果您有任何问题,请跟我们联系!

联系我们

在线客服 联系方式 二维码

服务热线

021-5470-0616

扫一扫,关注我们