网站导航

斯德博STOBER减速机

当前位置:首页 > 产品展示 > 斯德博STOBER减速机

PHQ系列

产品时间:2023-11-29 09:57:13

简要描述:

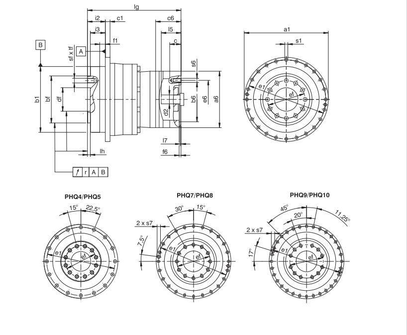
PHQ Series Quattro power due to four-planet system. Helical gearing. Highest torsional and tilting stiffness. Backlash up to < 3 arcmin. Flange output shaft. Short motor adapter length. Easy and secure motor mounting. Can be attached to almost any make

推荐产品

如果您有任何问题,请跟我们联系!

联系我们

在线客服 联系方式 二维码

服务热线

021-5470-0616

扫一扫,关注我们